next up previous print clean
Next: Discussion Up: Backprojection of residual Previous: Backprojection of residual

Results

Figure 43 shows the discontinuity map of the synthetic image computed by the combination of the forward and adjoint of the prediction-error operator. The plane-wave patches are zeroed. The fault is delineated. The residual due to the nonstationarity of the discontinuous patches blurs the discontinuity. However, the operator seems to pinpoint the fault better than the other operators.

 
zeroFoltXPefAA
Figure 43
Forward and adjoint of three 2-D prediction-error filters applied to synthetic test case. The output delineates the fault, but surrounds it with some blur.

zeroFoltXPefAA
view burn build edit restore

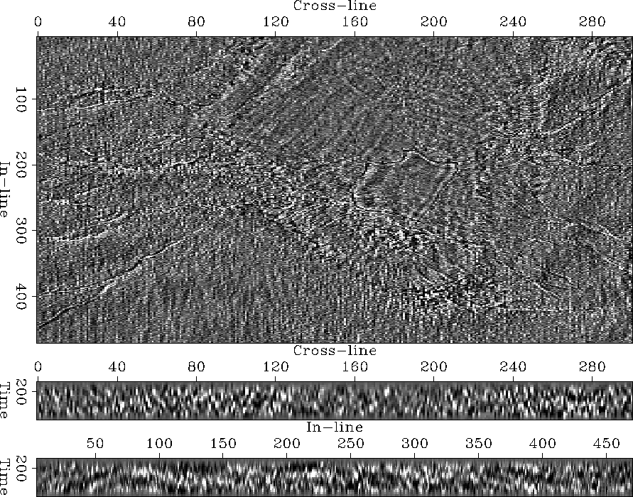
The back-projected prediction error suppresses most of the wavefield character of the Gulf salt dome image (Figure 44. Some ringing within the salt body are due to the salt's weak original internal reflections. The salt's radial faults are mostly delineated. Especially, the fault marked R in the original image 8 appears in great details. Unfortunately, the image is noisy and other faults are slightly obscured. The salt body itself clearly delineates the pentagonoid region. The salt boundary is a broad zone of increased prediction error. The image clearly suffers from the visible presence of the north-south streaks that might be acquisition footprint. In summary, the discontinuity attribute shows many subtle details, however, it is too noisy to be quickly and reliably interpreted.

 
gulfFoltTotXPefAA
gulfFoltTotXPefAA
Figure 44
Forward and adjoint of three 2-D prediction error of salt image. The image delineates the radiating faults, however, the attributes noise level prevents the quick and reliable interpretation of the image.


view burn build edit restore

Figure 45 fails to indicate the location of the major faults, which exist in the original image. The overall wavefield character of the image is replaced by a white noise character. Despite temporal smoothing, the discontinuity image only hints at some of its major faults.

 
nseaFoltTotXPefAA
nseaFoltTotXPefAA
Figure 45
Forward and adjoint of three 2-D prediction-error filters. The discontinuity image appears noisy and fails to delineate any image features clearly.


view burn build edit restore


next up previous print clean
Next: Discussion Up: Backprojection of residual Previous: Backprojection of residual
Stanford Exploration Project
3/8/1999